PLC

服务支持

热情、耐心、真诚的服务与支持

几种顺序控制的实现方法

作者:龙8中国官网唯一入口自动化
发布时间:2024.05.14

几种顺序控制的实现方法


自动化控制中,顺序控制是最为常见的一种控制方式,广泛应用于自动化设备的动作流程的运动控制和过程控制。顺序控制,顾名思义,即机器设备按预设流程,有序跳转,实现工艺控制要求,以期自动运行。控制思路清晰,动作稳定可靠。设计者理清顺序流程,和实现方法,对后期的编程调试,起到事半功倍的效果。本文以龙8中国官网唯一入口自动化200、120系列PLC编程环境为例,介绍几种顺序控制的实现方法,以飨读者。

龙8中国官网唯一入口自动化200、120系列PLC,兼容西门子200编程软件,易学易用;数据存于FLASH,掉电永久保存;AES迭代加密,银行卡般的加密方式保护你的知识产权;产品丰富,适用不同的工控需求;售前售后全程服务,且有帅哥,且有美女。

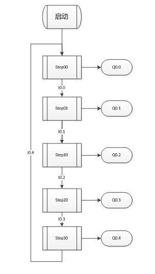
理清顺序流程,对后期的编程调试至关重要。宁愿多花些时间和机械工艺捋清顺序流程,也不可为赶工期,匆忙下手编程。本文以下图流程,分享顺序控制的实现方法。

几种顺序控制的实现方法


各步骤的跳转条件,和其对应的动作的输出,如图流程描述。

1、 继电器编程方法

几种顺序控制的实现方法


这种方式,通用性强,且容易掌握,适合入学者;编程方式,如同传统的继电器控制电路,简单明了。

2、 顺序控制指令

西门子顺序控制指令,共有三个指令,需配合使用。先看下指令说明:

载入顺序控制继电器(LSCR)指令用指令(N)引用的S位数值载入SCR和逻辑堆栈。SCR段被SCR堆栈的结果数值激励或取消激励。SCR堆栈数值被复制至逻辑堆栈的顶端,以便方框或输出线圈可直接与左电源杆连接,无须插入触点。

几种顺序控制的实现方法


顺序控制继电器转换(SCRT)指令识别要启用的SCR位(下一个要设置的n位)。当使能位进入线圈或FBD方框时,打开引用n位,并关闭LSCR指令(启用该SCR段)的n位

顺序控制继电器结束(SCRE)指令标记SCR段的结束。

其特点是:

每当应用程序包含一系列必须重复执行的操作时,SCR可用于为程序安排结构,以便使之直接与应用程序相对应。因而可以能够更快速、更方便地编程和调试应用程序。

程序略显复杂,但逻辑性强,适合复杂的控制方式。和日系PLC步进梯形图类似,但日系PLC程序表达方式较为简洁。

几种顺序控制的实现方法

几种顺序控制的实现方法

几种顺序控制的实现方法


3、置复位方式

几种顺序控制的实现方法


  置复位编程思路和顺序指令方式思路类似,不存在双线圈,多线圈的问题,因此应用广泛。在步骤较少的情况下可以直接对输出点进行置复位操作,无需内部辅助继电器中转。

4、寄存器方式

几种顺序控制的实现方法


寄存器顺序控制方式,可以给不同的顺序流程对步骤以数字的方式命名,在调试过程中,查找位置比较方便,更容易记忆,表达方式也比较简洁。在西门子编辑环境下,笔者首推这种方式。

为截图方便,本文将多个步骤集中到一个网络中,网络略显臃肿。在实际的编程中,建议拆分,将不同的步骤罗列单独的网络中,调试查找更为方便,程序可读性更强。

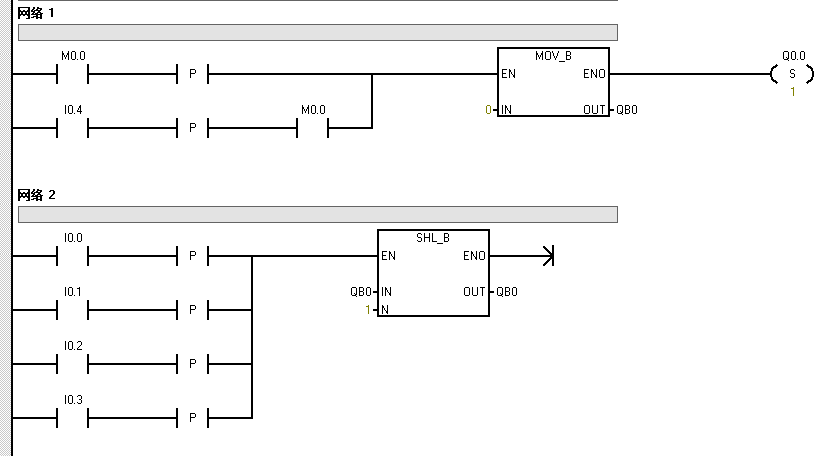
5、移位指令

在能量流没有并行分支的情况下,可以采用移位指令,实现起来更为简便。

若顺序流程如下图可采用移位指令。

几种顺序控制的实现方法


几种顺序控制的实现方法


小结:编程方法,表达方式,因人而异,因项目而已,没有固定的格式。首先理清流程,再付诸实践,才是王道。自己熟悉的,效率最高。当然还有更多的实现方式,笔者抛砖引玉,大家习惯采用哪种方式,欢迎留言交流。

TOP

业务咨询

技术咨询

技术咨询

4000-300-890